D373H蝸輪傳動對夾式金屬硬密封蝶閥
產品詳情
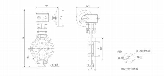
D373H蝸輪硬密封對夾蝶閥適用于水、空氣、天然氣等介質,泄露率為符合GB/T13927-92標準,驅動方式是蝸輪傳動、電動、氣動、液動。
彈性密封圈和三偏心多層次金屬硬密封結構,被廣泛用于介質溫度≤425℃的冶金、電力、石油化工、以及給排水和市政建設等工業管道上,作調節流量和載斷流體使用。該閥采用三偏心結構,閥座與蝶板密封面均采用不同硬度和不銹鋼制作,具有良好的耐腐蝕性,使用壽命長,本閥軍郵雙向密封功能,產品符合國家GB/T13927-92閥門壓力試驗標準。
特點
1、本閥采用三偏心密封結構,閥座與蝶板幾乎無磨損,具有越觀越緊的密封功能。
2、密封圈選用不銹鋼制作,具有金屬硬密封和彈性密封的雙重優點,無論在低溫和高溫的情況下,均具有優良的密封性能,具有耐腐蝕,使用壽命長等特點。
3、碟板密封面采用堆焊鈷基硬質合金,密封面耐磨損,使用壽命長.
4、大規格蝶板采用絎架結構,強度高,過流面積大,流阻小。
5、本閥具有雙向密封功能,安裝時不受介質流向的限制,也不受空間位置的影響,可在任何方向安裝。
6、驅動裝置可以多工位(旋轉90°或180°)安裝,便于用戶使用。




